
臨海市91网站真空設備有限(xiàn)公司
電話:0576-85021388/85138880
傳真:0576-85021389
聯係人:羅淡成17357631888
網址:www.wjqy888.com
地址:浙江(jiāng)省臨海江南街道花溪(xī)路下嶴餘
2X-15A型旋片(piàn)式真空泵
該泵可直接從大氣起(qǐ)動抽氣,它可單(dān)獨(dú)使用(yòng),也可作為增壓泵、羅茨泵(bèng)、氣體(tǐ)循環冷卻羅茨泵、油擴散泵、分子泵的前級泵(bèng)、維持泵、鈦泵的(de)預抽泵。可供真空鍍膜、真空熱處理、真空冶煉、電(diàn)子管、燈泡、化工(gōng)、包裝、吸塑(sù)成形、光伏、工礦企業的蒸餾、幹燥、冷凍、過濾、理化等真(zhēn)空作業中。一、 特點
1、工作要求:進口壓強在大於6500Pa時連續工作時間,不(bú)得超過3分鍾以免噴油引起泵損。
2、工作要求:進(jìn)口壓強在小於(yú)1330Pa的條件(jiàn)下,允許長時期連續工作。
3、環(huán)境溫度(dù):真空泵一般在5℃-40℃的室溫及不(bú)高於90%的相對溫度的環(huán)境內使用。
4、氣體類型:常(cháng)溫無其它混合物的清潔幹燥空氣,不許有含其它粉(fěn)塵及水分。
5、霓虹燈製造專用真空泵,單晶爐、多晶爐、層壓機配套等真空作業。
6、可單獨作中真空(kōng)泵用,也可與其(qí)它高真空(kōng)泵組(zǔ)合(hé)作前級泵用。
7、一泵多抽頭作業,提(tí)高效率,可節約(yuē)能源。
二、技(jì)術參數

三、 抽氣速率曲線圖

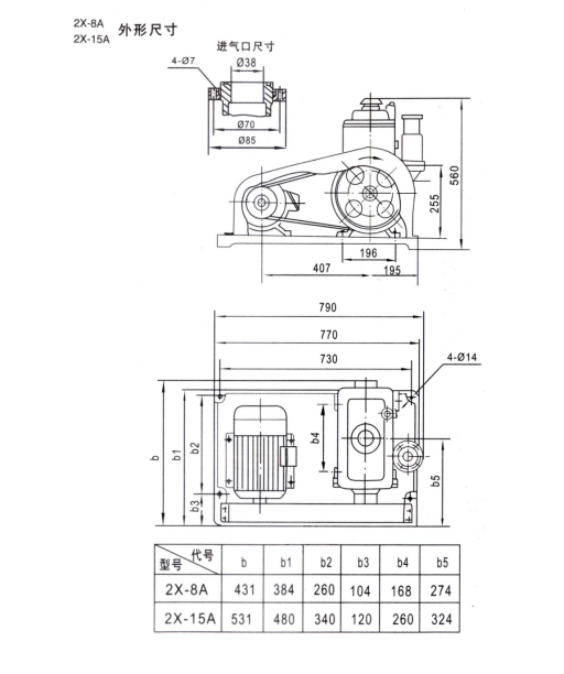
四(sì)、外形尺寸圖
