
臨海市91网站真空設備有限公司
電話:0576-85021388/85138880
傳真:0576-85021389
聯係人:羅淡成17357631888
網址:www.wjqy888.com
地(dì)址(zhǐ):浙江省臨海江南街(jiē)道(dào)花溪路下嶴餘
該係列泵是(shì)適(shì)用於抽吸空氣及其它一般性(xìng)氣體。采用油泵強製進油裝(zhuāng)置,在進氣口壓強≤1.33×103時,仍可(kě)連(lián)續(xù)運轉的優點。它可單獨(dú)使用(yòng),也可用於增(zēng)壓泵、擴散泵、分子泵的前級泵、維持泵、鈦泵的預抽泵用,廣泛(fàn)適用於真空(kōng)冶金、真空鍍膜、真空幹燥、冷凍幹燥、真空脫氣、真空包(bāo)裝、真空吸附(fù)、真空成形、食品包裝、印(yìn)刷、濺射(shè)、真空鑄造、光伏、航空科技領域、化工、電子、冰(bīng)箱、空調流水線和實驗室等真空作業以及配(pèi)套使用(yòng)。
一、特點
配製特殊設計氣鎮閥,防止泵油(yóu)混水,延長(zhǎng)泵油的使用時間;
1、抽(chōu)氣效率高、極限真空高、使用壽命長;
2、設有自動防返油止回閥,永不返油;
4、小口徑2XZ-2B、2XZ-4B、2XZ-8B真(zhēn)空泵專配真(zhēn)空幹燥箱(xiāng)、凍幹機、印(yìn)刷機械;
5、可配小口徑轉換接頭、KF接口、法蘭接口;
6、當抽吸含有蒸氣、顆粒、腐蝕性(xìng)氣體,在泵的進氣口須安裝輔助設備,如冷凝器、除塵器等。
二、技術參數

三、抽氣速率曲線

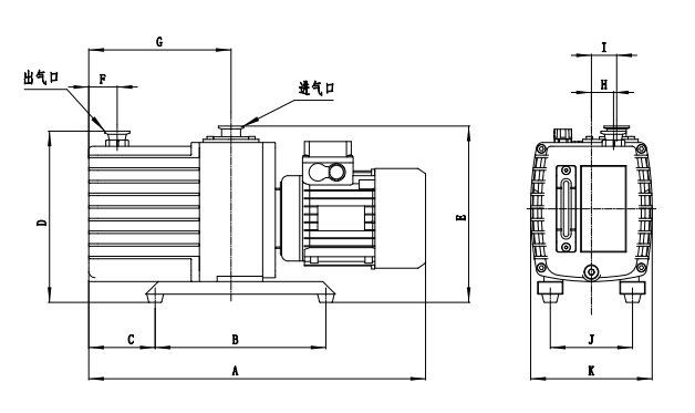
外形尺寸圖
2XZ-B係列直聯旋片(piàn)式真空泵外(wài)形及安裝尺(chǐ)寸



